北京市轨道交通建设管理有限公司就北京轨道交通7号线东延(万盛南街)地下综合管廊工程土建施工02合同段将于2017年12月28日通过兰格云商集采平台进行钢筋招标,有供货实力的客户请登 jc.lange360.com 查看项目详情并及时联系兰格云商办理相关手续,获取投标资格。
项目简介
一、工程名称:北京轨道交通7号线东延(万盛南街)地下综合管廊工程土建施工02合同段
二、工程地点:北京市通州区万盛南街
三、投标人资格要求:
1.1投标人必须为钢材销售企业一般纳税人,具有本招标文件要求的钢材生产厂家及相应品牌钢材销售一级代理商资格,注册资金不低于2000万人民币,且年销售额达到 20 万吨及以上,拥有不少于3000吨库存,能保证周末和节假日正常供货。
1.2仅限“兰格金牌供应商”及“50强”企业参与投标。
1.3出卖人提供的钢筋必须是钢厂原厂生产,买受人不接受分厂产品。供应到现场的产品必须是合同约定的产品,不得使用替代品或贴牌产品,如发现替代品或贴牌产品,出卖人需向买受人支付违约金100万元,同时买受人有权向北京市质检总局进行报案。为确保钢筋质量及数量,买受人将和钢厂驻场人员一起采用钢厂检验系统进行钢筋验收。
四、报价方式:按送货日当日兰格钢铁网工地采购结算指导价下浮方式报价
五、付款方式:中标方供货无预付款,执行先供货后付款的方式;由中标方根据材料签收凭证核对每月材料的供货数量,经复试检验合格后,于每月5日和20日办理当月结算手续,结算办理完成后10个工作日内支付当期结算货款,对现场复试检验不合格材料不予办理结算并由供应方承担相关检测费用及其它经济损失
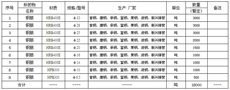
六、要求厂家:首钢、唐钢、承钢、宣钢、莱钢、凌钢、新兴铸管
七、招标标的物名称、数量、计量原则、交货期及地点:
(1)招标货物名称:钢 筋
(2)供应时间:以招标方电话或书面通知为准
(3)供应地点:北京市通州区万盛南街城建工地
(4)数 量:暂估16000吨
(5)计量原则:线材、盘螺过磅,螺纹钢检尺
八、 发标时间:2017 年12月25日
投标截止时间:2017 年12月28日 14:15 分
九、竞价间段:2017 年12月 28日14:00—14:15分
十、保证金管理办法:
投标保证金:3万元,由兰格云商监管,未中标客户将在投标有效期满三个工作日内退还,中标客户的投标保证金待签订合同后返还,履约保证金详见招标文件。
保证金账户:
单位名称:北京兰格电子商务有限公司
开户行:邯郸银行股份有限公司保定分行
行号:3131 3400 6018
账号:886010100100000135
汇款时备注“投标保证金”,汇款时银行请选保定地区。
十一、联系人:兰格云商 刘健
电话:010 63978772 18311001377
微信:18311001377 QQ:335055139
标的物名称、规格、品种、数量明细表



钢铁经济热点
兰格专家观点
木方指导价
模板指导价
行业资讯




